2 Million Kb Gb are a versatile and convenient solution for staying organized and productive. From calendars and planners to to-do lists and worksheets, these templates cater to different individual and professional requirements. They are customizable, permitting you to tailor them to your choices and make planning more efficient. Whether you require a weekly schedule, budget tracker, or meal planner, you'll discover a style that fits your design and purpose.
Downloading and printing these templates is easy and accessible. Utilize them in your home, in the workplace, and even on the go to streamline your day-to-day tasks. Conserve effort and time with ready-to-use layouts that simplify your routine while including a touch of imagination to your organization. Explore a large range of 2 Million Kb Gb today and take the primary step towards a more organized and efficient way of life!
2 Million Kb Gb

2 Million Kb Gb
The most respected source for NFL Draft info among NFL Fans Media and Scouts plus accurate up to date NFL Depth Charts Practice Squads and Rosters Nfl Depth Charts Printable Pdf. $2.99. The document contains DOCX and PDF. (Note: DOCX is a plain text format.).
Fantasy Football Depth Charts 2024 FantasyPros
Count Me In 1 9 Million Views Eto Yung Ginamit Namin Sa Pagpapaputok
2 Million Kb GbThese are fantasy specific depth charts and may not always match the official NFL team depth charts. Don't forget to Mock draft your free team in minutes. Game PredictionsPlayer Rankings ProjectionsStart Bench ToolCheat SheetsDepth Charts Scroll for additional links Fantasy football NFL Depth Charts
The most respected source for NFL Draft info among NFL Fans, Media, and Scouts, plus accurate, up to date NFL Depth Charts, Practice Squads and Rosters. I Wish That We Could Calculate By Steam Ppt Download What Is A Zettabyte MRD Technologies
Nfl Depth Charts Printable Pdf Farmed Kitchen and Bar
Summary 2 Million PDF Stocks Order Exchange
Stay up to date with the latest 2024 NFL depth charts rosters for all 32 teams in one place Kismat Palat Gayi Funny Shots 2 Million Views subscribe funny
ESPN s NFL depth charts are updated throughout the year with the latest news updates and intel from across the league Tere Ishq Ne Sathiya shahzaibmughal8688 viralreels Technote
Complete Trucking Database Leads 2 Million Active Companies PDF
Broadway Grosses Analysis Jimmy Fallon Takes All In To The 2 Million
Did Moses Really Lead 2 Million People Across The Red Sea And Into

20 Hazar Hogye 2 Million Kb Honge YouTube

How To Convert Kb Into Gb YouTube

1 MILLION Kb Kr Aao Ge Intezaar Lamba Ho Gaya shorts
Mike Giga Byte Conversion Clearance Facebook

Kismat Palat Gayi Funny Shots 2 Million Views subscribe funny

Gemini balance Gemini 2 5 Flash 2 5 Pro LINUX DO

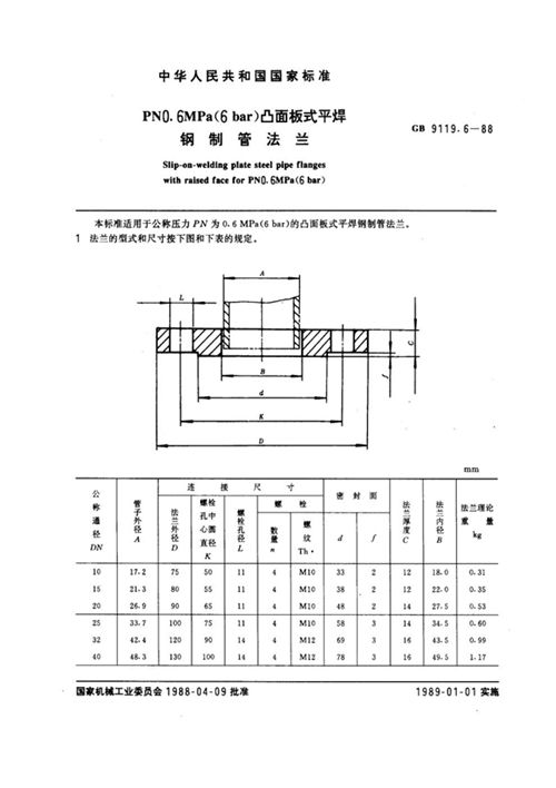
GB 9119 6 1988 PN 0 6MPa 6 Bar