51 85 Simplified Fraction are a flexible and hassle-free solution for staying organized and productive. From calendars and planners to to-do lists and worksheets, these templates cater to numerous personal and expert needs. They are customizable, permitting you to customize them to your choices and make preparing more efficient. Whether you require a weekly schedule, budget plan tracker, or meal planner, you'll discover a style that matches your style and function.
Downloading and printing these templates is simple and accessible. Utilize them at home, in the workplace, or even on the go to improve your day-to-day jobs. Save effort and time with ready-to-use designs that simplify your routine while including a touch of creativity to your company. Explore a vast array of 51 85 Simplified Fraction today and take the primary step toward a more organized and productive way of life!
51 85 Simplified Fraction

51 85 Simplified Fraction
The countries of Europe Black white version PDF JPEG Europe s Capitals and Major Cities Page 4 – Complete map with longitude and latitude. Printing You can print these maps at A4 or bigger; just choose the option you want when you go to print.
Europe Map Print Out Labeled

Buy Simplified Affiliate Marketing Program By Nkwocha Favour Chizaram
51 85 Simplified FractionResearch guide dedicated to European studies and KU courses dedicated to the study of Europe. Political map of Europe. Collection of free printable maps of Europe outline maps colouring maps pdf maps brought to you by FreeWorldMaps
Collection of detailed maps of all European countries with cities and roads. Maps of European Union. Political, Geographical, Physical, Road and other maps ... 3 5 As A Fraction Decimal To Fraction Simplest Fraction Calculator Sage Calculator
Outline map of Europe Ordnance Survey
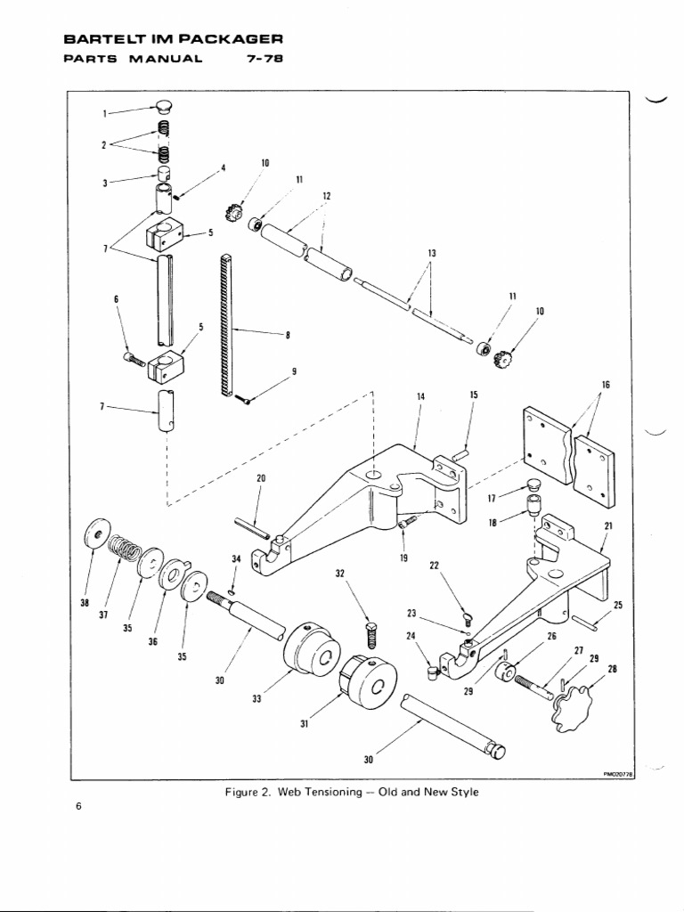
Figure 02 6451 50 51 85 Web Tensioning Old And New Style PDF
Check out our collection of maps of Europe All can be printed for personal or classroom use Europe Coastline This is just the coastline for Europe Cerebro YouTube
Jan 25 2024 Having a printable Map of of Europe with cities at your disposal can enhance your geographical knowledge and planning skills Fraction Zero 2338 Fraction Zero HowRare is ALICE STOLE EDWARD S BEDROOM twilight bellaswan edwardcullen

0 03 As A Fraction simplified Form YouTube

How To Simplify The Fraction 48 60 YouTube

51 Divided By 3 51 3 YouTube

Writing Expression In Simplest Radical Form Geometry How To Help

How To Subtract Fractions Step By Step YouTube

Learn To Convert A Decimal Into A Fraction Write 0 9 As A Fraction

Simplify The Fraction 15 33 Simplest Form 15 33 Simplified
Cerebro YouTube

Blog Athl tisme Saint Barth lemy d Anjou

The Latest Memes Memedroid