Ps 46 47 are a flexible and convenient solution for remaining organized and productive. From calendars and planners to to-do lists and worksheets, these templates accommodate different personal and professional needs. They are adjustable, enabling you to customize them to your preferences and make planning more effective. Whether you need a weekly schedule, budget plan tracker, or meal planner, you'll discover a style that suits your style and function.
Downloading and printing these templates is simple and accessible. Use them at home, in the office, and even on the go to enhance your day-to-day jobs. Save effort and time with ready-to-use designs that streamline your regimen while adding a touch of imagination to your company. Check out a large range of Ps 46 47 today and take the primary step towards a more organized and productive way of life!
Ps 46 47
Ps 46 47
Free printable pumpkin carving stencils templates and patterns so you can carve the best Jack o lanterns this Halloween From silly to spooky, our jack-o'-lantern face stencils make Halloween extra special. Download your favorites for free.
Free Printable Pumpkin Carving Patterns For The Most Boo tiful Jack o
B n Chu n In K44 45 46 47 B n X t DH HB HKI 2023 2024 Khoa t PDF
Ps 46 47These pumpkin faces printable pages will help you carve the most fabulous Jack-o-lanterns with more than 30 fun and ghoulish face designs to choose from. These free printable pumpkin face stencils are super helpful when carving a Jack o lantern Simply print each face for hours of creating fun
The pumpkin stencils come with 25 different cut-out faces with printable PFD to make pumpkin carving easier and enjoyable for the whole family. Lovely Das YouTube MusicGirl YouTube
26 Fun Jack o Lantern Faces to Stencil for Halloween
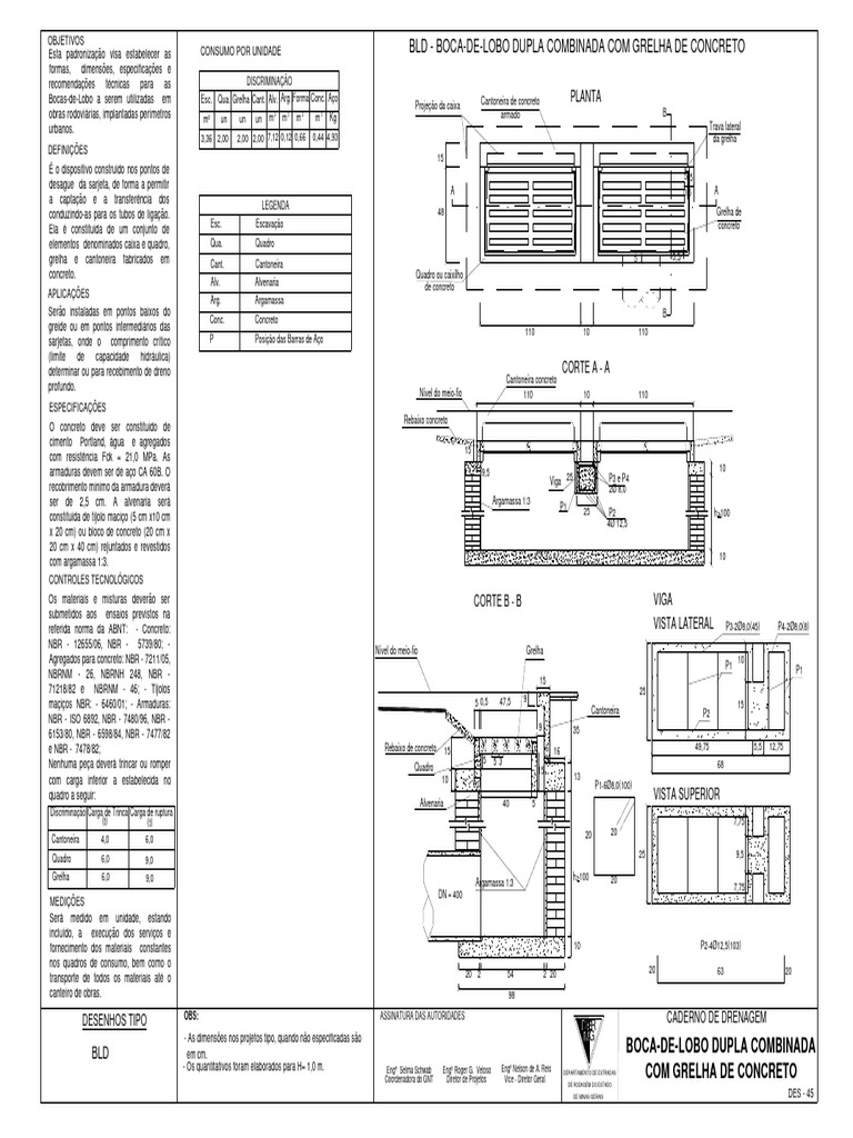
Album De Projetos Tipo Dispositivos De Drenagem Der MG 2013 PDF Free 46
Best Collection of Free Printable easy funny jack o lantern face stencils patterns are shared in this post If you search for funny halloween faces for pumpkin Banaa Le Tu Ke Dulhaniya bhojpuri song shortvideo YouTube
Free printable pumpkin stencils featuring various facial expressions faces of people and monsters and more ENDIRECT V Y DE NWI SEKOU BONDYE 7FWA POU LAVI MWEN PS 46 GLISE BONNE Rc Painting Rustler 4x4 Tamiya Ps 46 Iridescent Purple green With Ps 53
D Ki n DS SV Kh a 45 46 47 QTL44 t HB KKHT HKI 23 24 PDF
Daniel Chibuogwu YouTube
RIR YouTube
YouTube
AGIKgqOHUO KmugIUq iVYWsCkn5B1PS46JGOfeXS uhQ s900 c k c0x00ffffff no rj
Ratchanee YouTube
Barbara Stahl YouTube

Banaa Le Tu Ke Dulhaniya bhojpuri song shortvideo YouTube
YouTube
Hollis Brown YouTube